Logowanie
0
Menu
Zbiór zbóz i kukurydzy
Zbiór zbóz i kukurydzy
Pokaż wszystkie produkty
Sieczkarnie samobieżne
Sieczkarnie samobieżne
NEW HOLLAND
MENGELE
KRONE
JOHN DEERE
CLAAS
CASE, IHC
Sieczkarnie ciągnione
Sieczkarnie ciągnione
POTTINGER
ORKAN
JOHN DEERE
CLAAS
Przystawki do rzepaku
Przystawki do kukurydzy
Przystawki do kukurydzy
OROS
OLIMAC
NEW HOLLAND
LAVERDA
KEMPER
JOHN DEERE
GERINGHOFF
FANTINI
CLAAS
CASE, IHC
CAPELLO
Kombajny zbożowe
Kombajny zbożowe
VOLVO
SCHUMACHER
SAMPO
NEW HOLLAND
MASSEY FERGUSON
LAVERDA
JOHN DEERE
HESSTON
FORTSHRITT
FENDT
EPPLE
DRONNINGBORG
DEUTZ FAHR
CLAAS
CHALLENGER
CASE, IHC
BRAUD
BIZON
Hedery do zboża
Hedery do zboża
MACDON
CRARY
BISO
Części do ciągników i ładowarek
Części do ciągników i ładowarek
Pokaż wszystkie produkty
ŁADOWARKI TELESKOPOWE
ŁADOWARKI TELESKOPOWE
NEW HOLLAND
Manitou
MERLO
MASSEY FERGUSON
John deere
JCB
DEUTZ-FAHR
CLAAS
CASE-IH
SILNIKI
SILNIKI
Perkins
Mercedes
JOHN DEERE
I.H.
FORD
Deutz-fahr
CUMMINS
CATERPILLAR
KOPARKI
KOPARKI
MASSEY FERGUSON
LIEBHERR
CIĘŻARÓWKI
CIĘŻARÓWKI
MERCEDES
CIĄGNIKI
CIĄGNIKI
ZETOR
Wladmirec
VOLVO
VALMET, VALTRA
URSUS
STEYR
SAME
NEW HOLLAND, FORD
MTZ
MC CORMICK
MASSEY FERGUSON
Leyland
LANDINI
LAMBORGHINI
KUBOTA
JOHN DEERE
JCB
HURLIMANN
FIAT
FENDT
FARMTRAC
DEUTZ FAHR
DAVID BROWN
CLAAS, RENAULT
CHALLENGER
CATERPILLAR
CASE, IHC
Zbiór zielonek i okopowych
Zbiór zielonek i okopowych
Pokaż wszystkie produkty
ładowacze czołowe
ładowacze czołowe
STOLL
Zgrabiarki
Zgrabiarki
VICON
PÖTTINGER
NIEMEYER
KRONE
DEUTZ-FAHR
Claas
AGROMET Z211
Wozy paszowe
Wozy paszowe
KUHN
Przyczepy samozbierające
Przyczepy samozbierające
VICON
STRAUTMANN
PÖTTINGER
MENGELE
KVERNELAND
KRONE
JUGOSŁOWIANKA
DEUTZ-FAHR
CLAAS
Przetrząsacze
Przetrząsacze
VICON
STOLL
PÖTTINGER
NIEMEYER
KUHN
KONNA
FELLA
DEUTZ FAHR
CLAAS
Prasy
Prasy
Prasy rolujące
Prasy kostkujące
Kosiarki
Kosiarki
ZWEEGERS
WELGER
VICON
TAARUP
STOLL
SAMASZ
ROTACYJNA
PÖTTINGER
OSA
NEW HOLLAND
MORTL
MORRA
KUHN
KRONE
JOHN DEERE
GASPARDO
FELLA
FAMAROL UNIA
DEUTZ-FAHR
CLAAS
CASE
Kosiarki samobieżne
Kosiarki samobieżne
CLAAS
Kombajny okopowe
Kombajny okopowe
KOPACZKA KONNA I Z-609
HASSIA
ANNA
Uprawa, nawożenie i ochrony roślin
Uprawa, nawożenie i ochrony roślin
Pokaż wszystkie produkty
Siewniki
Siewniki
VADERSTAD
Unia
POLSKIE
MASCHIO GASPARDO
HORSCH
Amazone
Sadzarki
Sadzarki
POLSKIE
GRIMME
DEWULF
Rozsiewacze
Rozsiewacze
Polskie
Amazone
Rozrzutniki obornika
Rozrzutniki obornika
POLSKIE
Pługi
Pługi
ŚRUBY PŁUŻNE
VOGEL & NOOT
RABE
POLSKIE
NIEMEYER
NAUD
LEMKEN
KVERNELAND
KUHN
KONGSKILDE
JOHN DEERE
GREGOIRE BESSON
AMAZONE
Pielniki
Pielniki
CZĘŚCI UNIWERSALNE
Opryskiwacze
Opryskiwacze
TAD-LEN
POLSKIE
CZĘŚCI UNIWERSALNE
AMAZONE
Opryskiwacze samojezdne
Opryskiwacze samojezdne
AMAZONE
Glebogryzarki
Glebogryzarki
UNIA
Agregaty uprawowe
Agregaty uprawowe
VADERSTAD
UNIA
RABE
MASCHIO GASPARDO
LEMKEN
KVERNELAND
KUHN
KONGSKILDE
JOHN DEERE
HORSCH
BEDNAR
AMAZONE
Części według rodzaju
Części według rodzaju
Pokaż wszystkie produkty
Żarówki
Świece żarowe
Śruby płużne
Śruby kosy
Śruby głowicy
Śruby cepów
Śruby
Ślizgi kosiarki
Łączniki górne i dolne
Łącznik wałków
Łożyska oporowe
Łożyska
Łopatki gumowe
Łańcuchy
potencjometry
narzędzia ręczne
Złączki i końcówki hydrauliczne
ZŁĄCZA PNEUMATYCZNE
Zęby ładowacza czołowego
Zęby kultywatora
Zęby brony aktywnej
Zębatki przekładniowe i stożkowe
Zębatki napinające
Zębatki chwytacza
Zębatki
Zwrotnice
Zestawy uszczelek silnika
Zestawy pasków wielorowkowych
Zestawy naprawcze silnika
Zestawy naprawcze
Zbiorniki wyrównawcze
Zawór wydechowe
Zawory ssące
Zawory opryskiwacza
Zawory klimatyzacji
Zawory i końcówki hydrauliczne
Zawory hydrauliczne
Zawleczki, Zabezpieczenia
Zapinki gumowe
Zapadki prasy
Zabieraki słomy
Zabawki
Włączniki i przełączniki
Węże antystatyczne
Wytrząsacze
Wycieraczki do szyb
Wtyczki elektryczne
Wtryskiwacze
Wskaźniki
Wodziki skrzyni biegów
Wkłady wytrząsacza
Wirniki wialni
Wieszaki podnośnika
Wieszaki iglic
Widłaki wałów
Widełki wałka WOM
Widełki przekładni
Wentylatory
Wały zwolnicy
Wały wytrzasaczy
Wały sprzęgłowe i pośrednie
Wały rozrządu
Wały ramion podnośnika
Wały odbioru mocy
Wały korbowe
Wały
Wałki aparatów
Uszczelniacze zestawy
Uszczelniacze
Układ paliwowy
Układ hydrauliczny
Układ hamulcowy
Układ Chłodzenia
USZCZELNIACZE
USZCZELNIACZE
USZCZELKI SILNIKOWE
UKŁAD WYDECHOWY
Tłumiki
Tłoki z pierścieniami
Tłoki silnika
TŁOKI SIŁOWNIKA HYDRAULICZNEGO
Turbosprężaki
Tulejki noży sieczkarni
Tulejki met-gum
Tulejki korbowodu
Tulejki
Tuleje silnika
Termostaty
Taśmy hederu
Tarcze sprzęgła
Tarcze skrzyni biegów
Tarcze hamulcowe
Talerze brony
Talerze aparatu
Słoiki
Szybkozłącza hydrauliczne
Szpilki gwintowane
Szczęki i okładziny hamulcowe
Szczotki uszczelniające
Synchronizatory i elementy
Sworznie
Stalnice
Stacyjki
Stabilizatory
Sprężyny podbieracza
Sprężyny
Sprężarki klimatyzacji
Sprzęgła wiskotyczne
Sprzęgła kłowe
Sprzęgła kompletne
Sprzęgła gumowe
Spinki łańcucha
Smarowniczki
Skraplacze klimatyzacji
Siłowniki hydrauliczne
Siłowniki gazowe
Sita
Silniki elektryczne
Siedzenia i pokrowce
Segery i pierścienie osadcze
SZYBY
Rynny elewatora
Rurki hederu
Rozruszniki
Rozdzielacze i bloki hydrauliczne
Rolki
Regulatory napięcia
Redlice
Ramy podsiewacza, sit, klepisk
Ramy aparatów
Ramiona podnośnika
Płytki mocujące
Płozy pługa
Pędzelki układu smarowania
Półspinki łańcucha
Półpierścienie korbowe
Półosie
Przytrzymywacze sznurka
Przewody paliwowe
Przewody hydrauliczne
Przewody hamulcowe
Przewody gumowe
Przewody elektryczne
Przekładnie
Przekaźniki elektryczne
Przeguby i gałki kierownicze
Prowadniki sznurka
Prowadniki palca supłacza
Prowadnice łańcucha
Prowadnice zaworu silnika
Prowadnice tłoka
Prowadnice podbieracza
Pozostałe
Popychacze zaworów
Pompy wody i zestawy naprawcze
Pompy oleju
Pompy hydrauliczne
Pompki paliwa
Pompki hamulcowe i sprzęgłowe
Podłogi podsiewacza
Podłogi hedera
Poduszki kabiny
Podstawy filtra
Podstawy aparatu
Podnosniki wyległego zboża
Podkładki
Pióra wialni i sit
Pierścienie zabezpieczające
Pierścienie tłoka
Pierścienie stożkowe
Pierścienie segera
Piersi odkładnicy
Piasty
Pasy zwijające i spinki
Pasy
Panewki silnika
Panewki drewniane
Palce wytrząsacza aktywnego
Palce supłacza
Palce bębna hedera
PRZENOŚNIKI ŚLIMAKOWE
PRZENOŚNIKI ŁAŃCUCHOWE KOMPLETNE
OŚWIETLENIE
Osłony wałka WOM
Osłony przeciwnawinięciowe
Osłony podbieracza
Osłony gumowe
Oringi
Opony i detki
Oleje i smary
Ogniwa łańcucha
Odkładnice
Odbojniki gumowe
Obudowy łożysk
Obejmy, Opaski
OSUSZACZE KLIMATYZACJI
Nożyki obcinacza sznurka
Nożyki kosy
Nożyki kosiarki rotacyjnej
Noże zrywacza
Noże tłoka
Noże sieczkarni
Noże pozostałe
Noże podbieracza
Noże bijakowe
Nity
Niesklasyfikowane
Nakładki zrywacza
Nakładki rotora
Nakładki odrzutnika
Nakrętki
Mocowania specjalne
Listwy rotora
Listwy przenośnika
Listwy odkładnicy
Listwy autoconturu
Linki
Lemiesze
LUSTERKA
Krzyżaki
Końcówki wtrysku
Końcówki siłownika hydraulicznego
Kołki i zawleczki
Koła zamachowe
Koła wariatorowe
Koła planetarne
Koła pasowe i napinające
Kosy
Korki
Korbowody
Kolektory silnika
Klucze stacyjki
Klocki hamulcowe
Kliny i wpusty
Klepiska
Klamki drzwi
Kierownice
Katalogi
Kamienie ostrzałki
KOŃCÓWKI OPRYSKIWACZA
IGLICE
Haki cięgła dolnego
HYDRAULIKA
Główki łączników
Główki kosy
Głowice silnika
GĘSIOSTOPKI
Gwiazdy odrzutnika
Gwiazdy młocarni
Gwiazdy motowidła
Filtry
Farby
Elementy klimatyzacji
Elementy karoserii zewnętrznej
Elektryka
Elektrozawory
Dźwignie zaworowe
Dłuta
Dławiki siłowników hydraulicznych
Dociski sprzęgła
Dociski i prowadnice kosy
Dmuchawy klimatyzacji
Części silnikowe
Części plastikowe i teflonowe
Części aparatów wiążących
Czujniki
Cylindry siłowników hydraulicznych
Cięgła dolne
Chłodnice
Chwytaki sznurka
Chwytacze talerzowe aparatów prasy
Cepy
Bębny i walce
Bębny hedera
Blachy, osłony
Blachy odrzutnika
Bezpieczniki
Bagnety i stalki
Atak kół komplet
Aparaty kompletne
Amortyzatory kabiny
Amortyzatory drgań
Alternatory i prądnice
Akumulatory hydrauliczne
Akumulatory
Akcesoria
3-punktowy zaczep
Przeniesienie napędu
Przeniesienie napędu
Pokaż wszystkie produkty
Łożyska
Łożyska
Łożyska walcowe
Łożyska stożkowe
Łożyska samonastawne
Łożyska przegubowe
Łożyska kulkowe
Łożyska igiełkowe
Łożyska baryłkowe
Zespoły łożyskowe
Tulejki łożyska
Pierścienie ustalające
Łańcuchy
Łańcuchy
Łańcuchy standardowe
Łańcuchy rolnicze
Spinki łańcucha
Półspinki łańcucha
Ogniwa łańcucha
Pasy
Pasy
Zębate (synchroniczne)
Zespolone
Wielorowkowe
Wariatorowe rolnicze
Wariatorowe przemysłowe
Płaskie
Obustronne
Klinowe
Akcesoria i wyposażenie maszyn
Akcesoria i wyposażenie maszyn
Pokaż wszystkie produkty
Zęby ładowacza czołowego
Zaczepy 3-punktowe
WAŁEK ODB. MOCY
Taśmy hamulcowe
Spirale ślimakowe przenośników
Płyty gumowe
Opony i dętki
Opony i dętki
Opony z felgą
Opony
Dętki
Oleje i smary
Oleje i smary
do-usnięcia
Smary i środki smarne
Płyny hamulcowe
Oleje wg specyfikacji silnikowych
Oleje wg specyfikacji przekładniowych
Oleje sprężarkowe
Oleje silnikowo-przekładniowo-hydrauliczne (STOU)
Oleje silnikowe
Oleje przekładniowe
Oleje maszynowe
Oleje hydrauliczno przekładniowe (UTTO)
Oleje hydrauliczne
Oleje do pił i kosiarek
AdBlue
Lusterka
Hydraulika
Hydraulika
Złączki
Zawory
Hydraulika siłowa
Gaśnice
Farby do maszyn
Farby do maszyn
ZWEEGERS
ZETOR
WHUHLMAUS
WELGER
WALTERSCHEID
VOTEX
VICON
VENTSKI
VEENHUIS
UNISINN
UNIMOG
TIGGES
STRAUTMANN
STOLL
STILLE
STEYR
SCHRIJERS
SCHMOTZER
SCHLUTER
SAME
RENAULT
REISCH
REIFFEISEN
RAUCH
RANSOMES
POTTINGER
PORSCHE
OVERUM
NUFFIELD
NOVA
NIEMEYER
NEW HOLLAND
MOESBAUER
MIEDEMA
MENGELE
MC-CORMICK
MB-TRAC
MASSEY FERGUSON
MASCHIO
MAN
MAACK
LIEBHERR
LEVLAND
LENGERICH
LEMKEN
LELY
LANZ
LANDSBERG
LANDINI
KVERNELAND
KUHN
KUBOTA
KRONE
KRIEGER
KRAMER
KOLA
KNECHT
KLEINE
KEMPER
JOHN DEERE
ISEKI
ISARIA
HURLIM
HULSKEN
HOWARD
HOLDER
HOFFMANN
HEMES
HASSIA
HANOMAG
HAKO
HAGEDORN
GUTBROD
GULDNER
GRIMME
GREENLAND
GASSNER
FROST
FRITZMEIER
FRISTEIN
FIAT
FENDT
FELLA
EICHER
EBERHARDT
DIEDAM
DEUTZ FAHR
CRAMER
CLAAS
CASE IH
BRUNS
BROWN
BRENIG
BRANTNERR
BERGMANN
BEINLICH
BECKER
BAYWA
AUWARTER
ATLAS
AMAZONE
AGRIA
Elektryka
Elektryka
Żarówki
Wskaźniki
Lampy błyskowe
Lampy Robocze
Kamery i monitory
KLOSZE LAMP
Akcesoria do ciągników
Gospodarstwo i warsztat
Gospodarstwo i warsztat
Pokaż wszystkie produkty
TOPEX
Odzież i artykuły BHP
Odzież i artykuły BHP
Odzież
Maszyny i urządzenia
Maszyny i urządzenia
Kosiarki
Betoniarka
ELEKTRYKA
Artykuły warsztatowe
Artykuły warsztatowe
WIERTŁA
Narzędzia ręczne
Narządzia pneumatyczne
Elektronarzędzia
Artykuły ścierne
Artykuły ogrodnicze i rolnicze
Artykuły ogrodnicze i rolnicze
Sznurek rolniczy
Ogrodnictwo
Artykuły hobbystyczne
Artykuły hobbystyczne
Zabawki
Artykuły gospodarcze
Artykuły gospodarcze
Narzędzia gospodarcze
Kleje, Taśmy, Silikony
Części do rozdrabniaczy (Bąk)
Chemia i kosmetyki
Chemia gospodarcza
Asenizacyjne
Artykuły metalowe
Artykuły elektryczne
Akcesoria gospodarcze
AKCESORIA
Promocje
Strona główna
Ciągniki i pojazdy użytkowe
CIĄGNIKI
MASSEY FERGUSON
Silnik i osprzęt silnika
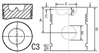
33-178 Tłok Sworzeń 3-178
33-178 Tłok Sworzeń 3-178
227,50
zł
cena obniżona:
Towar chwilowo niedostępny.
Dodaj do koszyka
dodaj do przechowalni
Ocena:
0
na 6 (opinii: 0)
Dodaj opinię
Opis produktu
Koszty dostawy
Opinie klientów
Numery do celów porównawczych:
4222722M91, 4224102M91, U5LH0007, U5LL0029,
Parametry techniczne:
Średnica zewnętrzna (mm): 95
Wysokość (mm): 100.04
Opinie klientów
zobacz:
wszystkie opinie
Średnia ocena klientów
0
/6
Na podstawie
0
opinii naszych klientów
Twoja opinia może być pierwsza.
Pokazuje 0-0 z 0 opinii
Dodaj opinię o produkcie
×
Uwaga!
Ocena
Adres e-mail:
*
Nick:
*
ukryj email
Temat:
*
Kod z obrazka:
*
generuj nowy obrazek
treść:
*
*
pola wymagane
Dodaj opinię
Masz pytania?
Zapraszamy do kontaktu
sklep@agrimoparts.pl
515556508
Klienci, których interesował ten produkt oglądali też
Zobacz także
500025710 Łożysko wyciskowe LUK 500025710.01
86,64
zł
AP1000440 Pas Optibelt Agro Power 3 szt 1000440.01
362,05
zł
17.0X4250 Pas Continental Agridur 905481M1.03
129,85
zł
1878008463 Tarcza sprzęgła Sachs 1878008463.96
1 292,13
zł
1523259 Pas Gates Agri 391142.26
408,18
zł
AP1002406 Pas Optibelt Agro Power 1002406.01
39,99
zł
C2494 Filtr powietrza C2494.01
89,11
zł
1895801 Wahacz, zawieszenie koła Lemforder 1895801.96
1 270,02
zł
321220450 Kosa LAVERDA 5,40m/18ft segmentowa /RADURA 11tpi sections/ RASSPE Germany 321220450.01
1 366,50
zł
34.0165 Dziób wymienny - lewy INDUSTRIEHOF 34.0165.97
55,31
zł
412393-V Uszczelniacz SKT 98.412393-V
43,03
zł
SIMO-03R Ząb obrotowy, prawy SIMO-03R.97
33,93
zł
32x6860Li/6935Ld D270 Pas klinowy GATES DELTA CLASSIC 32X6860LI-GD
500,23
zł
45533 Uszczelniacz SKT 98.45533
8,39
zł
1198835 Rura profilowana Walterscheid (75.43.58) 1198835.98
519,91
zł
475.022F Pas Continental AGRIDUR 475.022F.01
293,87
zł
JAG21-0035 Nożyk kosy górno nacinany RADURA P49650-S
5,03
zł
JAG38-0007 Przegub kulowy ROTA S135/4237.01
80,13
zł
1118644 Sprzęgło jednokierunkowe Walterscheid (56.250.40) 1118644.98
3 685,39
zł
05.376.000.01 Reflektor prawy COBO 181-79.01
181,95
zł
Zapisz się do newslettera i bądź na bieżąco z nowościami i promocjami
Wyrażam zgodę na otrzymywanie informacji handlowej drogą elektroniczną na podany adres e-mail
Aby zapisać się do newslettera musisz zaakceptować zgodę na przetwarzanie danych.
Zapisz się
Strona korzysta z plików cookies w celu realizacji usług i zgodnie z
Polityką Plików Cookies
Możesz określić warunki przechowywania lub dostępu do plików cookies w Twojej przeglądarce.
zamknij
×
Zamknij
Modal title
...
trwa ładowanie
proszę czekać
trwa ładowanie
proszę czekać
fbox
test